侧入式搅拌机均匀高效穿墙搅拌器侧进式搅拌机
CJB 型侧入式搅拌机俗称穿墙搅拌机广泛应用于化工、水处理、食品、纤维、造纸、石油等行业的工艺过程的搅拌阶段,作用如下:使互溶液体混合均匀;使固体粒子在液相中溶解、离底
CJB 型侧入式搅拌机俗称穿墙搅拌机广泛应用于化工、水处理、食品、纤维、造纸、石油等行业的工艺过程的搅拌阶段,作用如下:使互溶液体混合均匀;使固体粒子在液相中溶解、离底

CJB 型侧入式搅拌机俗称穿墙搅拌机广泛应用于化工、水处理、食品、纤维、造纸、石油等行业的工艺过程的搅拌阶段,作用如下:使互溶液体混合均匀;使固体粒子在液相中溶解、离底悬浮或均匀悬浮;使不相溶的另一液相均匀悬浮或充分乳化;强化相间的传质(如吸收等);强化传热等搅拌含有悬浮物的液体;污水、废水、污泥水的混合和均匀;稠化过程;污泥脱水过程;污水池清洁;防止颗粒在池壁和池底的凝结、沉淀;创建水流等。
构造及工作过程:
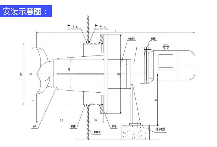
CJB 型侧入式搅拌机由驱动装置、机架、搅拌轴、桨叶、联轴器、导流装置等组成。根据密封方式可分为:A 型:带有机械密封,B 型:不带密封,C 型:其它密封方式,可适用于不同密封要求的场合。根据安装方式可分为立式和卧式两种,方便根据现场工艺条件选择安装方式。驱动装置采用普通电机或防爆电机直接或间接通过圆柱齿轮、摆线针轮减速机的驱动装置主轴,通过联轴器与搅拌轴联接。搅拌轴由双向推力轴承和水润滑滑动轴承支承,具有足够的强度和刚度,并具有较高的稳定性。
使用条件:
本系列搅拌机可在下列条件下正常连续运行:
1、连续运行时,介质温度-10~100℃;
2、介质 PH 值为 6-9。
3、介质密度不超过 1150kg/m3;
4 、叶轮长期潜水运行,潜水深度一般不超过 20m。








联系电话
微信扫一扫